-
Зарегистрируйтесь или авторизуйтесь
Зарегистрируйтесь или авторизуйтесь, чтобы получить полный доступ к ресурсам.
- Войти
- или
- Регистрация
-
Случайные объявления
-
ПРОДАЁТСЯ
-
ПРОДАЁТСЯ
6 750 руб.Силиконовый патрубок интеркулера правый 55038006AE для Jeep Grand Cherokee WK2
Автор Планета Силикона
-
ПРОДАЁТСЯ
-
ПРОДАЁТСЯ
-
ПРОДАЁТСЯ
-
ПРОДАЁТСЯ
-
ПРОДАЁТСЯ
-
ПРОДАЁТСЯ
40 000 руб.Комплект передних тормoзных диcков и колодок Роwer Stop Еvоlution с пepфopaцией и насeчками.
Автор lumix181
-
ПРОДАЁТСЯ
-
ПРОДАЁТСЯ
-
ПРОДАЁТСЯ
-
ПРОДАЁТСЯ
- ПРОДАЁТСЯ
-
ПРОДАЁТСЯ
-
ПРОДАЁТСЯ
-
ПРОДАЁТСЯ
-
ПРОДАЁТСЯ
-
ПРОДАЁТСЯ
-
ПРОДАЁТСЯ
-
ПРОДАЁТСЯ
-
ПРОДАЁТСЯ
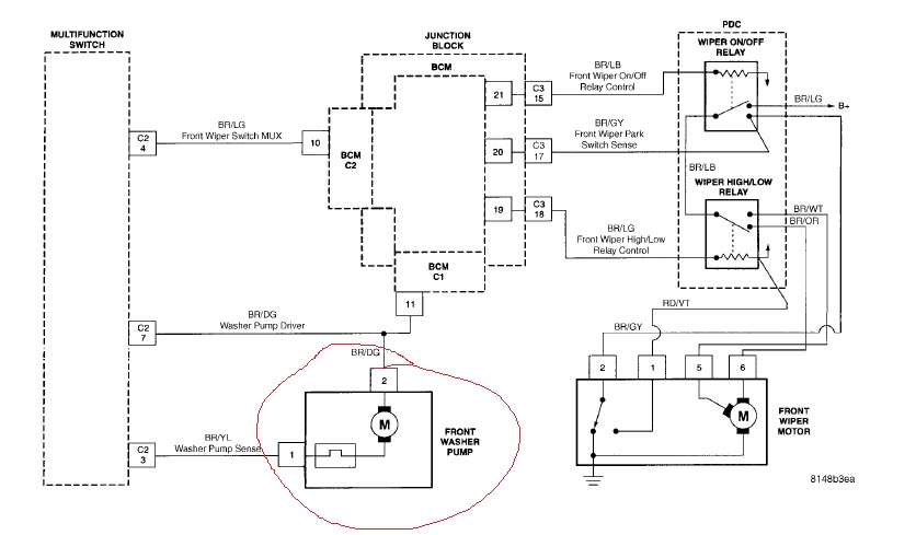
номер предохранителя стеклоомывателя
-
Кто в онлайне 7 пользователей, 0 анонимных, 95 гостей (Посмотреть всех)
- Олег-2025
- Ромаха
- Михбых
- Sergey Commander
- AlexMalush
- Егор Пятигорск
- BeAr58
-
Бортжурналы
-
- 157
записей - 24
комментария - 42071
просмотр
Последние записи
Последняя запись
Ошибка полного привода Jeep Compass: диагностика и ремонт в сервисе
Владелец Jeep Compass обратился в наш автосервис TRS Motors с жалобой на ошибку в работе системы полного привода. На приборной панели постоянно появлялось предупреждение о неисправности, что вызывало закономерное беспокойство. Система полного привода — это одна из ключевых особенностей любого внедорожника Jeep, и ее некорректная работа значительно снижает эксплуатационные характеристики автомобиля, особенно в сложных дорожных условиях. Автомобиль переставал быть полноценным полноприводным кроссовером, теряя в проходимости и безопасности. Для владельцев автомобилей марки Jeep такая ситуация особенно критична, поскольку они часто выбирают эти автомобили именно за их уверенное поведение на любом покрытии. В нашем сервисе мы регулярно сталкиваемся с различными неисправностями в трансмиссии автомобилей американского производства, и каждая из них требует тщательной диагностики и профессионального подхода к ремонту.
Результаты диагностики системы полного привода
Комплексная диагностика в нашем сервисе выявила основную причину неисправности — вышел из строя мотор подключения заднего редуктора. Именно этот узел отвечает за своевременное подключение задней оси, обеспечивая работу полного привода когда это необходимо. При его поломке электронный блок управления фиксирует ошибку и переводит систему в аварийный режим, о чем и сигнализирует водителю на панели приборов. Замена этого мотора — единственный способ вернуть автомобилю полноценную функциональность. Стоит отметить, что проблемы с электронными компонентами системы полного привода не редкость для современных кроссоверов, включая модели Jeep. Своевременное обращение в специализированный сервис позволяет предотвратить более серьезные последствия, такие как повреждение элементов трансмиссии или дифференциала. На сайте Jeep вы можете найти больше информации о типичных проблемах этих автомобилей.
Сопутствующие проблемы, выявленные при осмотре
Помимо основной неисправности, в процессе диагностики наши специалисты обнаружили несколько дополнительных проблем, требующих незамедлительного решения. Во-первых, была выявлена утечка антифриза, источником которой оказался радиатор охлаждающей жидкости. Такая течь опасна возможным перегревом двигателя, что может привести к серьезным и дорогостоящим повреждениям силового агрегата. Во-вторых, потребовала внимания замена пыльника переднего привода, который пропускал смазку. Исправное состояние пыльников важно для защиты шарниров равных угловых скоростей от попадания грязи и воды, что напрямую влияет на их ресурс и безопасность движения. Также осмотр выявил последствия предыдущего ДТП — повреждение пластиковых элементов под бампером и теплоэкрана на бензобаке, а также неправильно установленную заливную горловину, что могло приводить к выплескиванию топлива при заправке.
Важность комплексного подхода к ремонту
Данный случай наглядно демонстрирует, насколько важен комплексный подход к техническому обслуживанию автомобиля. Обратившись с одной конкретной проблемой — ошибкой полного привода, владелец получил полную картину технического состояния своего Jeep Compass. Устранение только основной неисправности без внимания к сопутствующим проблемам могло бы привести к новым, более серьезным поломкам в ближайшем будущем. Например, игнорирование течи радиатора могло закончиться перегревом двигателя и капитальным ремонтом, а неисправный пыльник ШРУСа — заменой самого шарнира. В нашем сервисе TRS Motors мы всегда проводим полную диагностику автомобиля, чтобы выявить все существующие и потенциальные проблемы. Это позволяет нашим клиентам быть уверенными в надежности и безопасности своих автомобилей после ремонта.
- Читать далее...
- 0 комментариев
- 157
-
- 17
записей - 16
комментариев - 2886
просмотров
Последние записи
Последняя запись
видео Клубные видео. Все видео JEEP 4X4 CLUB тут.
Сюда буду добавлять видео-ролики нашего клуба.
Клубные каналы по ссылкам ниже. Подпишитесь.
VK Видеозаписи JEEP4X4CLUB.RU - Международный Jeep Клуб
YouTube JEEP4X4CLUB - by Andrey Gaponov
Jeep Renegade - клубный обзор
Jeep Grand Cherokee 4xE - клубный обзор
Jeep Grand Wagoneer SERIES 2 - клубный обзор
Summit Reserve , Overland, Limited Plus клубный обзор комплектаций
Jeep Wrangler Rubicon X 2024 4дв клубный обзор
Jeep Wrangler 2024 Rubicon 2дв клубный обзор
Dodge Charger 6.4 HEMI ScatPack 2024 клубный обзор
Jeep Grand Cherokee Overland 2024 3.6 клубный обзор
Jeep Grand Wagoneer 2023 SERIES 3 клубный обзор
Dodge RAM 1500 Rebel 2023 и Long Horn 2023 клубный обзор
- Читать далее...
- 0 комментариев
- 17
-
- 48
записей - 105
комментариев - 307924
просмотра
Последние записи
Последняя запись
Jeep Grand Wagoneer обновление прошивок и отзывные операции.
Сегодня будем обновляем прошивки блоков на автомобиле JEEP GRAND WAGONEER 2023 года. Компания Stellantis решила возродить легендарную модель, продержавшуюся в свое время на конвейере почти тридцать лет.
Мы привыкли к тому, что компьютеры и телефоны периодически обновляют свое программное обеспечение. А вот о том, что программное обеспечение автомобиля тоже нуждается в обновлении для нас пока непривычно. А это очень важно, особенно для новых автомобилей. Когда выходят на дороги новые модели жизнь подкидывает такие ситуации, которые не смогли предусмотреть разработчики программного обеспечения. И на основе анализа этих ситуаций появляются новые прошивки для блоков.
Раньше прошивки менялись для увеличения мощности двигателя или снижения расхода топлива. Или, когда из конфигурации автомобиля что-то удалялось. Например, катализатор.
На современных автомобилях не только двигатель, а все системы управляются и контролируются электронными блоками. Некорректная работа блока может привести к поломке какого-нибудь агрегата, или сократить его ресурс. Может привести к тому, что машина неправильно отреагирует на дорожную ситуацию. Может заглушить двигатель, когда этого совсем не хотелось бы. Чтобы избежать этих проблем и надо обновлять прошивки блоков на новые, в которых уже учтен накопленный опыт эксплуатации. Зачастую новые прошивки входят в отзывные операции. Проверить это можно при компьютерной диагностике автомобиля.
Подключаем WiTech. Это автомобиль, насыщенный электроникой. На экране мы видим блок-схему автомобиля. На нем установлено более пятидесяти электронных блоков. На некоторых блоках есть зеленая молния. Это блоки, требующие обновления. Их шесть. Владелец с момента покупки ни разу не проводил обновление программного обеспечения.
Посмотрим отчет об ошибках. Активных ошибок на автомобиле нет. Все в памяти. Очистим DTS, чтобы после обновления сразу отследить изменения.
Проверим отзывные операции – Recall-ы. На этом автомобиле есть один Recall, связанный с накладкой рамки стекла на левой передней двери.
Производитель обнаружил, что на 163 735 автомобилях GRAND WAGONEER она могла быть неправильно установлена. А это может привести к тому, что она отвалится на скорости и повредит соседние машины в потоке или причинит травмы людям, находящимся поблизости. В этом Recall-е нет прямого указания на замену этой накладки. Дилер должен сначала проверить правильность ее установки. На автомобиле нашего клиента накладка установлена правильно. Автомобиль можно дальше безопасно эксплуатировать.
Переходим к обновлению блоков. Это процесс небыстрый. Зажигание в автомобиле при этом должно быть постоянно включено, большую часть времени будет гореть ближний свет фар и напряжение бортовой сети при этом не должно падать ниже 12,7V. Поэтому подключим к автомобилю зарядное устройство.
Последовательно выбираем блоки, которые будем обновлять.
Начнем с блока BSM – Blind Spot Monitor.
В списке прошивок для этого блока выбираем нужную.
Потом выбранная прошивка скачивается на диск компьютера.
Далее начинается загрузка прошивки в блок автомобиля.
На щитке приборов при этом загорается предупреждающая надпись.
А автомобиль включает ближний свет фар.
И так блок за блоком проводим обновление. Процесс не быстрый. Если обновлений скопилось много может занять целый день. Так у нас и получилось. И еще. В некоторых случаях надо соблюдать определенную последовательность обновления боков.
- Читать далее...
- 0 комментариев
- 48
-





Рекомендуемые сообщения
Присоединяйтесь к обсуждению
Вы можете написать сейчас и зарегистрироваться позже. Если у вас есть аккаунт, авторизуйтесь, чтобы опубликовать от имени своего аккаунта.