Перейти к содержанию

Проблема с электрикой


Рекомендуемые сообщения

0
Автомобиль: Jeep Commander
Город: Омск
Опубликовано
Опубликовано

Commander 2007 3.0 crd . При повороте ключа в положение старт , приборка загорается на пару секунд и всё гаснет. Снимаю клемму, закручиваю снова, поворачиваю ключ, происходит тоже самое. Понимаю, что где-то контакт отходит, но где? Машина на улице, холодно

  • Партнёр клуба
7 420
Автомобиль: chrysler
Город: Москва и рядом
Опубликовано
Опубликовано

на ум приходит контакная группа замка зажигания...

0
Автомобиль: Jeep Commander
Город: Омск
Опубликовано
Опубликовано (изменено)

Можно поподробнее, как добраться до нее. 

Посмотрел, буду разбираться

Изменено пользователем suvo
0
Автомобиль: Jeep Commander
Город: Омск
Опубликовано
Опубликовано

Ещё один вопрос.

Где находится  P/N Safety Starter Interlock Contact ? И как его проверить?

 

Mps
545
Автомобиль: WK2
Город: Moscow
Опубликовано
Опубликовано

Для начала укажите где вы нашли данный термин, так как наименования в каталоге запчастей вполне могут не совпадать с инструкцией по ремонту. Нужен полный контекст.

0
Автомобиль: Jeep Commander
Город: Омск
Опубликовано
Опубликовано (изменено)
1 час назад, MoparPlus сказал:

Для начала укажите где вы нашли данный термин, так как наименования в каталоге запчастей вполне могут не совпадать с инструкцией по ремонту. Нужен полный контекст.

Иногда бывает, что не заводится в Р, переводишь селектор АКПП в N, заводится. Несколько дней назад не завелась и в N. На СТО проверили шифтер,  замок зажигания, всё ОК. Сказали, что в электро.плате коробки может быть проблема (плату менял два месяца назад). Они по схеме смотрели, сказали, что может быть в концевике проблема.

https://carmasters.org/topic/28735-jeep-grand-cherokee-steyr-exl-30l-v6-crd-нет-стартера/ тут прочитал, похоже на мою проблему.

На СТО предложили снять поддон и посмотреть плату. Машина завелась только с "перемычки". Сейчас на улице потеплело до -10. Машина заводится

Изменено пользователем suvo
Mps
545
Автомобиль: WK2
Город: Moscow
Опубликовано
Опубликовано

Чертовски здорово, что они смотрели по схеме. Что говорит сканер?

0
Автомобиль: Jeep Commander
Город: Омск
Опубликовано
Опубликовано
7 минут назад, MoparPlus сказал:

Чертовски здорово, что они смотрели по схеме. Что говорит сканер?

Они не подключали.

Mps
545
Автомобиль: WK2
Город: Moscow
Опубликовано
Опубликовано

Давайте по очереди перебирать все условия, ограничивающие запуск двигателя. Это же не Москвич 407 с электрикой в чистом виде, а Джип с кучей электроники.

 

Сканер в помощь, потом будем думать, а то так половину машины поменяем из-за провода подгнившего. 

0
Автомобиль: Jeep Commander
Город: Омск
Опубликовано
Опубликовано

Когда приехал домой, подключил ELM, были ошибки U0103, P0645, P0615

0
Автомобиль: Jeep Commander
Город: Омск
Опубликовано
Опубликовано
25 минут назад, AUTO TRUTNY сказал:

а с чего все началось?

Началось как я описал в посту #7

Опубликовано

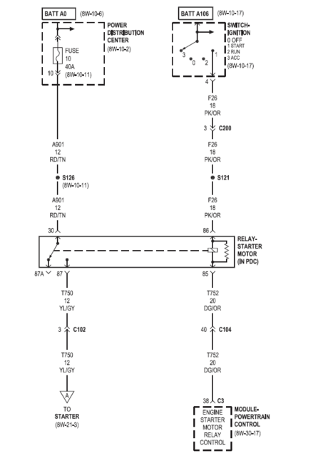
надо смотреть.... в каком положении видится рычаг передач

и что есть на реле стартера + или -

проверьте что приходит на реле....от этого и пляшем

image.thumb.png.cb994a976a1133dff4a2e8dd4794f99e.png

бывало и мозги дохли

Присоединяйтесь к обсуждению

Вы можете написать сейчас и зарегистрироваться позже. Если у вас есть аккаунт, авторизуйтесь, чтобы опубликовать от имени своего аккаунта.

Гость
Ответить в этой теме...

×   Вставлено с форматированием.   Вставить как обычный текст

  Разрешено использовать не более 75 эмодзи.

×   Ваша ссылка была автоматически встроена.   Отображать как обычную ссылку

×   Ваш предыдущий контент был восстановлен.   Очистить редактор

×   Вы не можете вставлять изображения напрямую. Загружайте или вставляйте изображения по ссылке.

  • Кто в онлайне   10 пользователей, 0 анонимных, 260 гостей (Посмотреть всех)

    • Maxi1897
    • Shvovan
    • MartinH3
    • Nik2001
    • slivin
    • Олег 184
    • nilipuch
    • serg102
    • Евген17
    • xmo97
  • Бортжурналы


    1. Владелец Jeep Compass 2019 года выпуска с пробегом 218 тысяч километров столкнулся с крайне неприятной и неожиданной ситуацией – автомобиль перестал ехать в самый неподходящий момент. Первым и самым очевидным симптомом стала полная разрядка аккумуляторной батареи, которая привела к потере электропитания и остановке двигателя. Такие случаи ярко демонстрируют, насколько современные автомобили, включая модели Jeep, зависят от исправной работы электросистемы. Проблема не только в том, что машина не заводится, но и в том, что отказ электроники может произойти прямо во время движения, что потенциально создает опасную ситуацию на дороге. Невозможность продолжить путь – это всегда серьезное неудобство, которое требует оперативного и, что самое главное, квалифицированного решения.

      Что выявила диагностика: корень проблемы

      Тщательная диагностика в нашем сервисе TRS Motors быстро выявила истинную причину неисправности. Ею оказался генератор, а точнее – критически важный элемент в его конструкции: обгонная муфта. Эта муфта выполняет роль связующего звена между шкивом генератора и ремнем вспомогательных агрегатов, позволяя ей проскальзывать при резких изменениях оборотов двигателя, тем самым защищая сам генератор от перегрузок и преждевременного износа. В данном случае муфта полностью вышла из строя, разрушившись механически. В результате вал генератора начал вращаться вхолостую, не передавая крутящий момент на сам генератор, который, в свою очередь, перестал выполнять свою основную функцию – заряжать аккумулятор во время работы двигателя.

      Для чего нужна обгонная муфта и почему она ломается

      Обгонная муфта – это инженерное решение, предназначенное для гашения крутильных колебаний и вибраций, которые неизбежно возникают в работе двигателя. Она работает по принципу храпового механизма, свободно прокручиваясь в одном направлении и заклинивая в другом. Это сглаживает рывки ременной передачи, значительно повышая ресурс как самого генератора, так и ремня. Основными причинами выхода муфты из строя являются естественный износ после большого пробега, постоянные высокие нагрузки на электрооборудование автомобиля, а также использование неоригинальных или некачественных комплектующих при предыдущих заменах. Пробег в 218 тысяч километров является вполне типичным для проявления такой неисправности.

      Как проводится ремонт генератора Jeep Compass

      Ремонтные работы предполагают несколько ключевых этапов. Первым делом необходимо аккуратно снять генератор с двигателя, обеспечив к нему свободный доступ. После демонтажа производится разборка генератора для тщательного осмотра всех внутренних компонентов на предмет сопутствующих повреждений. Основное действие – это замена неисправной обгонной муфты на новую, оригинальную и качественную деталь. Перед установкой нового узла крайне важно очистить и проверить посадочные места и контактные группы. После сборки генератор устанавливается на место, производится натяжение ремня согласно спецификациям производителя и выполняется контрольная диагностика напряжения заряда для подтверждения исправной работы всей системы.

      Важность профессионального подхода к ремонту

      Данный случай наглядно показывает, что даже такая, казалось бы, мелочь, как небольшая муфта, может полностью обездвижить современный автомобиль. Самостоятельные попытки ремонта без специального оборудования и знаний часто приводят к более серьезным и дорогостоящим последствиям, таким как повреждение шкива, обрывы ремня или выход из строя нового генератора. Обращение в специализированный сервис, такой как TRS Motors, который имеет опыт работы с кроссоверами Jeep, гарантирует точную диагностику, использование правильных запчастей и долгосрочный результат. Регулярная проверка состояния генератора и ременного привода во время планового ТО поможет заранее выявить износ муфты и избежать внезапной поломки.

    2. https://rutube.ru/video/3cf762b9bd377e8ed9a98d36b980e94d/

      К нам приехал DODGE RAM 1500 двигатель 5.7 2010 год пробег 145 000 тысяч.км. Проблема – пропуски зажигания в пятом цилиндре. Компрессия при этом в норме. Автомобиль до нас побывал в нескольких сервисах. На нем успели поменять свечи, катушки зажигания, но от этого ничего не поменялось.

      1 Пропуски зажигания в 5 цилиндре.png

      Будем разбирать двигатель. Сняли впускной коллектор, клапанные крышки, толкатели. Пока все снятые детали не имеют видимых повреждений.

      2 Клапанные крышки толкатели.png

      Снимаем головки блока цилиндров. Камера сгорания на них полусферической формы, которая и должна это самое сгорание улучшать. За полусферическую форму камеры сгорания эти двигатели получили название Hemi. HEMIspherical — «полусферический».

      3 Головка блока.png

      Вот поршень пятого цилиндра. Мы его почистили, чтобы проверить нет ли на нем прогара. Поршень в норме.

      4 Поршень 5 цилиндра.png

      Рассухарили клапана пятого цилиндра – они тоже в норме.

      5 Клапана 5 цилиндра.png

      Распредвал на этом двигателе расположен внизу в блоке цилиндров. Гидрокомпенсаторы клапанов тоже установлены в блоке цилиндров. Они стоят блоками по четыре штуки.

      Снимем гидрокомпенсаторы пятого цилиндра, и осмотрим их состояние. Вот и причина всех бед. На одном из гидрокомпенсаторов заклинил ролик. И поверхность его надрана распредвалом.

      6 Гидрокомпенсаторы 5 цилиндра.png

      Распредвал, скорее всего, тоже пострадал. Как уже говорил, стоит он в блоке цилиндров. Доставать его нужно, выдвигая вперед.

      И что мы видим? Один кулачок просто «съеден» заклинившим роликом гидрокомпенсатора.

      7 Распредвал кулачок 5 цилиндра.png

      Вот это и привело к тому, что выпускной клапан в пятом цилиндре не открывался. Компрессия при этом есть, а цилиндр не работает, поскольку заполнить его рабочей смесью не получается.

      Ставим новый блок гидрокомпенсаторов на пятый цилиндр.

      8 Новый блок гидрокомпенсаторов.png

      Но это еще не все проблемы этого мотора. Стружка от заклинившего гидрокомпенсатора и «съеденного» распредвала попала в масляную систему и забила сетки клапанов, отвечающих за отключение цилиндров. Их тоже придется заменить. Иначе система MDS (Multi Displacement System), позволяющей отключить половину цилиндров будет работать некорректно. Масляные каналы надо как следует промыть, чтобы новые клапана не повторили судьбу старых.

      9 Клапана MDS.png

      Гидрокомпенсаторы на двигателях с MDS имеют отверстия для деактивации.

      10 Отверстия для деактивации.png

      Собираем двигатель.

      Заводим. Прогреваем. Работает ровно, как и положено работать V8. Делаем компьютерную диагностику. Ошибок по пропускам зажигания больше нет.

      11 Ошибок по пропускам нет.png

    3. Jeep Grand Cherokee WK2 (2010–2021) — популярный внедорожник на вторичном рынке России, но его комплектации, включая специальные версии S Limited и Limited X, часто вызывают вопросы. Модель пережила два рестайлинга: первый в 2013 году (модельные годы 2014–2016) и второй в 2016 году (модельные годы 2017–2021). Каждый рестайлинг вносил изменения в оснащение, отделку, подвеску, шумоизоляцию и технологии. Мы разберём комплектации (Laredo, Limited, S Limited/Limited X, Overland, Summit, Trailhawk, SRT и Trackhawk), их целевую аудиторию, ключевые различия, включая материалы отделки, опции комфорта (подогрев, вентиляция сидений, электропривод багажника), системы безопасности (автоматический дальний свет, удержание в полосе, датчики света и дождя) и особенности подвески, с акцентом на российский рынок.

      Дорестайлинг (2010–2013)

      Основные комплектации и опции

      • Laredo: Базовая комплектация для практичных покупателей, ищущих надёжный внедорожник для семьи и умеренного бездорожья.

        • Оснащение: Тканевый салон (иногда искусственная кожа), двухзонный климат-контроль, 17-дюймовые колёса, мультимедиа с 5-дюймовым экраном (Uconnect 8.4" в 2013 году в некоторых регионах).

        • Отделка: Пластиковые панели на консоли и дверях, тканевые вставки. Руль — искусственная кожа.

        • Подогрев/вентиляция сидений: Подогрев передних сидений — опция, вентиляция недоступна.

        • Электропривод багажника: Опция в пакете Laredo X.

        • Системы безопасности: Камера заднего вида (опция), парктроники (опция), датчики света и дождя (опция). Автоматический дальний свет и удержание в полосе недоступны.

        • Аудиосистема: Базовая 6-динамиковая (320 Вт) с AM/FM, CD, AUX. Опционально — Alpine с 9 динамиками (506 Вт).

        • Полный привод: Quadra-Trac I (без понижающей передачи) или Quadra-Trac II (с понижающей передачей, опция).

        • Подвеска: Многорычажная пружинная, без Nivomat.

        • Другие опции: Ксеноновые фары, запуск с кнопки (опция в 2013 году).

      • Limited: Средний уровень для тех, кто хочет больше комфорта и технологий.

        • Оснащение: Кожаный салон (Capri, чаще искусственная), подогрев передних и задних сидений, камера заднего вида, 18-дюймовые колёса, Uconnect 8.4" (с 2013 года).

        • Отделка: Искусственная кожа Capri на сиденьях, пластиковые панели с кожаными вставками, руль — натуральная кожа.

        • Подогрев/вентиляция сидений: Подогрев передних и задних сидений — стандарт, вентиляция недоступна.

        • Электропривод багажника: Опция (стандарт в 2013 году).

        • Системы безопасности: Парктроники, камера заднего вида, датчики света и дождя (опция). Автоматический дальний свет (опция)

        • Аудиосистема: Alpine с 9 динамиками (506 Вт).

        • Полный привод: Quadra-Trac II, опционально Quadra-Drive II (с блокировкой дифференциала).

        • Подвеска: Многорычажная пружинная, без Nivomat. Пневмоподвеска Quadra-Lift — редкая опция.

        • Другие опции: Панорамная крыша, навигация, ксеноновые фары.

      • Overland: Премиальная комплектация для роскоши и внедорожных возможностей.

        • Оснащение: 20-дюймовые колёса, панорамная крыша, навигация, Uconnect 8.4".

        • Отделка: Натуральная кожа Nappa, кожаные вставки на дверях и консоли, деревянные панели (Open Pore Wood). Пластик только в нижних частях.

        • Подогрев/вентиляция сидений: Подогрев и вентиляция передних сидений, подогрев задних сидений — стандарт.

        • Электропривод багажника: Стандарт.

        • Системы безопасности: Ксеноновые фары, парктроники, камера заднего вида, датчики света и дождя (стандарт). Адаптивный круиз-контроль (опция с 2013 года). Автоматический дальний свет и удержание в полосе недоступны.

        • Аудиосистема: Alpine с 9 динамиками (506 Вт), опционально Harman Kardon с 19 динамиками (825 Вт).

        • Полный привод: Quadra-Drive II с понижающей передачей.

        • Подвеска: Пневмоподвеска Quadra-Lift (165–270 мм) 

        • Другие опции: Подогрев руля, система Selec-Terrain.

      • SRT-8: Спортивная версия для энтузиастов скорости.

        • Оснащение: 6.4-литровый HEMI V8 (470 л.с.), спортивная подвеска Bilstein, тормоза Brembo (380 мм спереди, 350 мм сзади), 20-дюймовые диски, спортивные сиденья.

        • Отделка: Кожа Nappa и замша, карбоновые вставки, пластик в нижних частях.

        • Подогрев/вентиляция сидений: Подогрев и вентиляция передних сидений, подогрев задних сидений — стандарт.

        • Электропривод багажника: Стандарт.

        • Системы безопасности: Ксеноновые фары, парктроники, камера заднего вида, датчики света и дождя (стандарт). Адаптивный круиз-контроль (опция). Автоматический дальний свет и удержание в полосе недоступны.

        • Аудиосистема: Harman Kardon с 19 динамиками (825 Вт).

        • Полный привод: Quadra-Trac с акцентом на заднюю ось (65/35).

        • Подвеска: Адаптивная спортивная подвеска Bilstein.

        • Другие опции: Подогрев руля, спортивный режим Selec-Track, панорамная крыша.

       

      Подвеска

      • Laredo, Limited: Многорычажная пружинная, без Nivomat. Quadra-Lift — редкая опция.

      • Overland: Пневмоподвеска Quadra-Lift (стандарт в США/Европе), в России — стальная пружинная с Nivomat (задние).

      • SRT-8: Адаптивная спортивная подвеска Bilstein.

      Шумоизоляция

      • Laredo: Базовая, шум шин и ветра заметен.

      • Limited: Улучшенная за счёт дополнительных материалов.

      • Overland: Высокий уровень с многослойными стёклами.

      • SRT-8: На уровне Limited, но выхлоп и шины увеличивают шум.

      Ощущения при езде

      • Laredo, Limited: Комфортные, мягкая подвеска, но с кренами.

      • Overland: Плавная и универсальная благодаря Nivomat (в России) или Quadra-Lift (в других регионах).

      • SRT-8: Спортивная динамика, но жёсткая подвеска снижает комфорт.

      Первый рестайлинг (2013–2016, модельные годы 2014–2016)

      Основные изменения

      Введена 8-ступенчатая АКПП ZF 8HP, обновлённый дизайн (оптика, бампера, решётка радиатора), Uconnect 8.4" стал стандартом для Limited и выше. Появилась комплектация Summit. Адаптивный круиз-контроль — опция для Overland, недоступен в Limited.

      • Laredo:

        • Оснащение: Ткань или искусственная кожа, 17-дюймовые колёса, Uconnect 8.4".

        • Отделка: Пластиковые панели, частично с искусственной кожей. Руль — кожаный.

        • Подогрев/вентиляция сидений: Подогрев передних сидений (опция), вентиляция недоступна.

        • Электропривод багажника: Опция (стандарт в Laredo X).

        • Системы безопасности: Камера заднего вида, парктроники (опция), датчики света и дождя (опция). Автоматический дальний свет и удержание в полосе недоступны.

        • Аудиосистема: Базовая 6-динамиковая (320 Вт) или Alpine с 9 динамиками (506 Вт).

        • Подвеска: Многорычажная пружинная, без Nivomat.

        • Другие опции: Ксеноновые фары, навигация, запуск с кнопки.

      • Limited:

        • Оснащение: Кожа Capri (иногда натуральная), 18-дюймовые колёса, подогрев передних и задних сидений, Uconnect 8.4".

        • Отделка: Кожа Capri, пластиковые панели с кожаными и деревянными вставками (опция).

        • Подогрев/вентиляция сидений: Подогрев передних и задних сидений — стандарт, вентиляция — опция с 2015 года (в пакетах Luxury Group II или 75th Anniversary).

        • Электропривод багажника: Стандарт.

        • Системы безопасности: Парктроники, камера заднего вида, датчики света и дождя (опция). Автоматический дальний свет и удержание в полосе недоступны.

        • Аудиосистема: Alpine с 9 динамиками (506 Вт).

        • Подвеска: Многорычажная пружинная, без Nivomat. Quadra-Lift — редкая опция.

        • Другие опции: Панорамная крыша, навигация, автопарковщик (редко).

      • Overland:

        • Оснащение: 20-дюймовые колёса, панорамная крыша, навигация, Uconnect 8.4".

        • Отделка: Натуральная кожа Nappa, кожаные панели, деревянные вставки (Open Pore Wood). Пластик минимален.

        • Подогрев/вентиляция сидений: Подогрев и вентиляция передних сидений, подогрев задних сидений — стандарт.

        • Электропривод багажника: Стандарт.

        • Системы безопасности: Ксеноновые фары, парктроники, камера заднего вида, датчики света и дождя (стандарт). Адаптивный круиз-контроль (опция), автоматический дальний свет (опция с пакетом Advanced Technology Group).

        • Аудиосистема: Harman Kardon с 19 динамиками (825 Вт, стандарт с 2014 года; в 2013 году — Alpine 506 Вт).

        • Полный привод: Quadra-Drive II.

        • Подвеска: На российском рынке — стальная пружинная с саморегулирующимися амортизаторами Nivomat (задние); Quadra-Lift стандартна в США/Европе.

        • Другие опции: Подогрев руля, Selec-Terrain, адаптивная оптика.

      • Summit (с 2014 года):

        • Оснащение: Многослойные стёкла, кожа Nappa (Laguna с 2015 года), адаптивная оптика, 20-дюймовые колёса.

        • Отделка: Премиальная кожа Nappa/Laguna, кожаные панели, деревянные вставки. Пластик отсутствует.

        • Подогрев/вентиляция сидений: Подогрев и вентиляция передних сидений, подогрев задних сидений — стандарт.

        • Электропривод багажника: Стандарт.

        • Системы безопасности: Адаптивный круиз-контроль (опция), автоматический дальний свет (опция с 2015 года), парктроники, камера заднего вида, датчики света и дождя (стандарт).

        • Аудиосистема: Harman Kardon с 19 динамиками (825 Вт).

        • Полный привод: Quadra-Drive II.

        • Подвеска: Пневмоподвеска Quadra-Lift.

        • Другие опции: Система шумоподавления, подогрев руля, проекционный дисплей (редко).

      • SRT:

        • Оснащение: 6.4-литровый HEMI V8 (475 л.с.), адаптивная подвеска Bilstein, тормоза Brembo, 20-дюймовые диски.

        • Отделка: Кожа Nappa и замша, карбоновые вставки.

        • Подогрев/вентиляция сидений: Подогрев и вентиляция передних сидений, подогрев задних сидений.

        • Электропривод багажника: Стандарт.

        • Системы безопасности: Адаптивный круиз-контроль (опция), ксеноновые фары, парктроники, датчики света и дождя (стандарт).

        • Аудиосистема: Harman Kardon с 19 динамиками (825 Вт).

        • Подвеска: Адаптивная спортивная подвеска Bilstein.

        • Другие опции: Подогрев руля, Selec-Track, панорамная крыша.

      Подвеска

      • Laredo, Limited: Многорычажная пружинная, без Nivomat. Quadra-Lift — редкая опция.

      • Overland: Стальная пружинная с Nivomat (задние) на российском рынке; Quadra-Lift стандартна в США/Европе.

      • Summit: Пневмоподвеска Quadra-Lift.

      • SRT: Адаптивная спортивная подвеска Bilstein.

      Шумоизоляция

      • Laredo: Базовая, шум шин и ветра заметен.

      • Limited: Улучшенная за счёт дополнительных материалов.

      • Overland: Высокий уровень с многослойными стёклами.

      • Summit: Эталонная с системой шумоподавления.

      • SRT: Хорошая, но выхлоп и шины увеличивают шум.

      Ощущения при езде

      • Laredo, Limited: Плавная езда, но с кренами.

      • Overland: Плавная и универсальная благодаря Nivomat (в России) или Quadra-Lift (в других регионах).

      • Summit: Максимальный комфорт благодаря пневмоподвеске.

      • SRT: Спортивная динамика, жёсткая подвеска.

      Второй рестайлинг (2016–2021, модельные годы 2017–2021)

      Основные изменения

      Добавлены Trailhawk, Trackhawk (с 2018 года), S Limited (в России, эквивалент Limited X), Apple CarPlay/Android Auto, системы ADAS (автоматический дальний свет, удержание в полосе, контроль слепых зон). Косметические изменения в дизайне.

      • Laredo:

        • Оснащение: Ткань или искусственная кожа, 17-дюймовые колёса, Uconnect 8.4".

        • Отделка: Пластиковые панели с искусственной кожей. Руль — кожаный.

        • Подогрев/вентиляция сидений: Подогрев передних сидений (опция), вентиляция недоступна.

        • Электропривод багажника: Опция.

        • Системы безопасности: Камера заднего вида, парктроники (опция), датчики света и дождя (опция), автоматический дальний свет и удержание в полосе (опции с 2017 года).

        • Аудиосистема: Базовая 6-динамиковая (320 Вт) или Alpine с 9 динамиками (506 Вт).

        • Подвеска: Многорычажная пружинная, без Nivomat.

        • Другие опции: Навигация, ксеноновые фары, пневмоподвеска (редко).

      • Limited:

        • Оснащение: Кожа Capri (натуральная в поздних версиях), 18-дюймовые колёса, подогрев сидений.

        • Отделка: Кожа Capri, пластиковые панели с кожаными и деревянными вставками.

        • Подогрев/вентиляция сидений: Подогрев передних и задних сидений, вентиляция передних сидений — опция.

        • Электропривод багажника: Стандарт.

        • Системы безопасности: Парктроники, камера заднего вида, датчики света и дождя (опция), автоматический дальний свет и удержание в полосе (опции с 2017 года).

        • Аудиосистема: Alpine с 9 динамиками (506 Вт).

        • Подвеска: Многорычажная пружинная, без Nivomat. Quadra-Lift — редкая опция.

        • Другие опции: Панорамная крыша, пневмоподвеска, автопарковщик.

      • S Limited (в России, эквивалент Limited X) (2020–2021):

        • Оснащение: На базе Limited, 20-дюймовые колёса (чёрные или хром), Uconnect 8.4" с Apple CarPlay/Android Auto, подогрев сидений, электропривод багажника.

        • Отделка: Кожа Capri (натуральная), премиальные вставки (дерево или алюминий), чёрные акценты.

        • Подогрев/вентиляция сидений: Подогрев передних и задних сидений, вентиляция передних сидений — опция.

        • Электропривод багажника: Стандарт.

        • Системы безопасности: Парктроники, камера заднего вида, датчики света и дождя (стандарт), автоматический дальний свет, удержание в полосе, контроль слепых зон (опции).

        • Аудиосистема: Alpine с 9 динамиками (506 Вт), Harman Kardon (825 Вт) — опция.

        • Полный привод: Quadra-Trac II, опционально Quadra-Drive II.

        • Подвеска: Многорычажная пружинная, без Nivomat. Quadra-Lift — редкая опция.

        • Другие опции: Панорамная крыша, навигация, адаптивная оптика, чёрные или хромированные акценты экстерьера.

        • Примечание: В России S Limited — маркетинговое название для Limited X, используемого в США и других странах с 2018 года (модельный год 2019). Отличия минимальны, связаны с региональными настройками (например, усиленный обогрев для российского климата).

      • Overland:

        • Оснащение: Пневмоподвеска Quadra-Lift (в США/Европе, редко в России), 20-дюймовые колёса, панорамная крыша.

        • Отделка: Кожа Nappa, кожаные панели, деревянные вставки.

        • Подогрев/вентиляция сидений: Подогрев и вентиляция передних сидений, подогрев задних сидений.

        • Электропривод багажника: Стандарт.

        • Системы безопасности: Адаптивный круиз-контроль, автоматический дальний свет, удержание в полосе, контроль слепых зон, автопарковщик, датчики света и дождя (стандарт).

        • Аудиосистема: Harman Kardon с 19 динамиками (825 Вт).

        • Подвеска: Пневмоподвеска Quadra-Lift .

        • Другие опции: Подогрев руля, адаптивная оптика, Selec-Terrain.

      • Summit:

        • Оснащение: Многослойные стёкла, кожа Nappa/Laguna, адаптивная оптика.

        • Отделка: Премиальная кожа Laguna, кожаные панели, деревянные вставки.

        • Подогрев/вентиляция сидений: Подогрев и вентиляция передних сидений, подогрев задних сидений.

        • Электропривод багажника: Стандарт.

        • Системы безопасности: Адаптивный круиз-контроль, автоматический дальний свет, удержание в полосе, контроль слепых зон, автопарковщик, датчики света и дождя (стандарт).

        • Аудиосистема: Harman Kardon с 19 динамиками (825 Вт).

        • Подвеска: Пневмоподвеска Quadra-Lift.

        • Другие опции: Система шумоподавления, проекционный дисплей (редко).

      • Trailhawk (с 2017 года):

        • Оснащение: Пневмоподвеска Quadra-Lift, внедорожные шины, защита днища, красная прострочка.

        • Отделка: Кожа и замша, пластиковые панели с кожаными вставками, красные акценты.

        • Подогрев/вентиляция сидений: Подогрев и вентиляция передних сидений, подогрев задних сидений.

        • Электропривод багажника: Стандарт.

        • Системы безопасности: Камера заднего вида, парктроники, датчики света и дождя (стандарт), автоматический дальний свет и удержание в полосе (опции).

        • Аудиосистема: Alpine с 9 динамиками (506 Вт).

        • Подвеска: Пневмоподвеска Quadra-Lift с увеличенными ходами.

        • Другие опции: Подогрев руля, Selec-Terrain, буксировочный пакет.

      • SRT:

        • Оснащение: 6.4-литровый HEMI V8 (475 л.с.), подвеска Bilstein, тормоза Brembo.

        • Отделка: Кожа Nappa и замша, карбоновые вставки.

        • Подогрев/вентиляция сидений: Подогрев и вентиляция передних сидений, подогрев задних сидений.

        • Электропривод багажника: Стандарт.

        • Системы безопасности: Адаптивный круиз-контроль, автоматический дальний свет, удержание в полосе, контроль слепых зон, датчики света и дождя (стандарт).

        • Аудиосистема: Harman Kardon с 19 динамиками (825 Вт).

        • Подвеска: Адаптивная спортивная подвеска Bilstein.

        • Другие опции: Подогрев руля, Selec-Track, панорамная крыша.

      • Trackhawk (с 2018 года):

        • Оснащение: 6.2-литровый V8 HEMI (707 л.с.), тормоза Brembo, 20-дюймовые диски.

        • Отделка: Кожа Laguna, карбоновые вставки, минимум пластика.

        • Подогрев/вентиляция сидений: Подогрев и вентиляция передних сидений, подогрев задних сидений.

        • Электропривод багажника: Стандарт.

        • Системы безопасности: Адаптивный круиз-контроль, автоматический дальний свет, удержание в полосе, контроль слепых зон, датчики света и дождя (стандарт).

        • Аудиосистема: Harman Kardon с 19 динамиками (825 Вт).

        • Подвеска: Адаптивная спортивная подвеска Bilstein.

        • Другие опции: Подогрев руля, Selec-Track, адаптивная оптика.

      Подвеска

      • Laredo, Limited, S Limited/Limited X: Многорычажная пружинная, без Nivomat. Quadra-Lift — редкая опция.

      • Overland: Пневмоподвеска Quadra-Lift 

      • Summit, Trailhawk: Пневмоподвеска Quadra-Lift, с увеличенными ходами для Trailhawk.

      • SRT, Trackhawk: Адаптивная спортивная подвеска Bilstein.

      Шумоизоляция

      • Laredo: Базовая, шум шин и ветра заметен.

      • Limited, S Limited/Limited X: Улучшенная с многослойными стёклами.

      • Overland: Высокий уровень с многослойными стёклами.

      • Summit: Эталонная с системой шумоподавления.

      • Trailhawk: Сбалансированная, но внедорожные шины добавляют шум.

      • SRT, Trackhawk: Хорошая, но двигатель и шины увеличивают шум.

      Ощущения при езде

      • Laredo, Limited, S Limited/Limited X: Плавная езда, но с кренами.

      • Overland: Плавная и универсальная благодаря  Quadra-Lift 

      • Summit: Максимальный комфорт благодаря пневмоподвеске.

      • Trailhawk: Уверенная на бездорожье, жёстче на асфальте.

      • SRT, Trackhawk: Спортивная динамика, жёсткая подвеска.

      Ключевые отличия и рекомендации

      • Laredo: Для экономных покупателей. Ткань или искусственная кожа, минимум опций, без вентиляции и ADAS. Подходит для семей.

      • Limited: Баланс цены и комфорта. Кожа Capri, подогрев, электропривод багажника, вентиляция как опция.

      • S Limited/Limited X: Премиальная версия Limited с улучшенной отделкой, 20-дюймовыми колёсами, Apple CarPlay/Android Auto, ADAS (опции). В России S Limited (2020–2021) — маркетинговое название Limited X (2018–2021 в других странах).

      • Overland: Премиум с кожей Nappa, пневмоподвеской Quadra-Lift, музыкой Harman Kardon, датчики света/дождя, автоматический дальний свет (опция в 2014 году). Для длительных поездок и бездорожья.

      • Summit: Максимальная роскошь с кожей Laguna, шумоподавлением, полным набором ADAS.

      • Trailhawk: Для бездорожья с практичной отделкой, пневмоподвеской, Alpine.

      • SRT и Trackhawk: Для энтузиастов скорости. Премиальная кожа, спортивные настройки, Harman Kardon, но меньше комфорта.

      Невидимые, но ощутимые отличия

      • Подвеска: Nivomat в Overland (Россия 2014-2016) обеспечивает выравнивание при нагрузке, пневмоподвеска Quadra-Lift в Overland , Summit и Trailhawk улучшает проходимость, Bilstein в SRT/Trackhawk — для динамики.

      • Шумоизоляция: Summit и Overland лидируют, Laredo и Trailhawk отстают из-за шин.

      • Аудиосистемы: Базовая в Laredo, Alpine в Limited, S Limited/Limited X, Trailhawk, Harman Kardon в Overland, Summit, SRT, Trackhawk.

      • Отделка: Laredo, Limited, S Limited/Limited X — больше пластика, Overland и Summit — кожа и дерево, Trailhawk — практичная замша, SRT/Trackhawk — спортивные акценты.

      • АКПП: 8-ступенчатая ZF (с 2013 года) делает переключения плавными, особенно в SRT и Trackhawk.

      • Электроника: Summit и Overland предлагают полный набор ADAS, Laredo, Limited, S Limited/Limited X — базовые функции.

      Вторичный рынок в России

      Grand Cherokee WK2 ценится за надёжность. Laredo и Limited популярны из-за цены (1.5–3 млн рублей в 2025 году). S Limited (Limited X), Overland и Summit  купить сложнее, для премиум-покупателей. Trailhawk редок, но востребован для бездорожья. SRT и Trackhawk — выбор энтузиастов, но дороже в обслуживании.

      Заключение

      Jeep Grand Cherokee WK2 предлагает комплектации для разных задач: Laredo, Limited, S Limited/Limited X для экономии и стиля, Overland и Summit для роскоши, Trailhawk для бездорожья, SRT и Trackhawk для динамики. S Limited в России (2020–2021) — переименованная Limited X, с минимальными отличиями для местного рынка. Различия в отделке, комфорте, аудиосистемах, подвеске (Nivomat в Overland для России) и технологиях (например, автоматический дальний свет и адаптивный круиз в Overland 2014) создают значительный разрыв. Тестируйте разные версии, чтобы выбрать подходящую.

       

      А.В. Гапонов.

       

      Заметили неточность? Напишите в комментариях. 

×
×
  • Создать...

Важная информация

Мы разместили cookie-файлы на ваше устройство, чтобы помочь сделать этот сайт лучше. Вы можете изменить свои настройки cookie-файлов, или продолжить без изменения настроек.